index AUTONOMOUS SYSTEMS

CognizantLogo-AUT100C.gif, 15 kB ContBoxLogo.jpg, 7.9kB

Sol4.gif, 62kB
Third Solar DC to DC Controller

CognizantLogo-AUT100C.gif, 15 kB ContBoxLogo.jpg, 7.9kB




My previous concepts of regulation have drastically changed. I have "modularized" and condensed a basic regulator board that can be incorporated into any design. Fortunately my understanding has improved enough to finalize a favorite design.
Board20180408.jpg, 71kB Each board that I have designed is 4 inch by 4 inch. Here the board has no inductance chokes, nor heat sinks. In the picture, they simply have not been installed yet. It does have two LM34 temperature sensors. The board is ran by a dedicated internal LT594 PWM chip, as you can see. The board is controlled by an external microprocessor.
Scope-NoChokes.jpg, 35kB Here, there are no formal chokes, but there remains stray inductance in external wiring. Here the Main, or "Criteria", or "Objective" display is painted in cyan. The Reject display is in yellow. A major difference is that the Main voltage never drops below the battery voltage, except for the inductance spiking and ringing. The yellow Reject voltage, on the other hand, can fall to zero volts, especially if there is not enough solar input power.
Scope-NoChokesMove.jpg, 38kB In order to see each channel, I have shifted the Reject display down out of the way. Each display is almost a mirror image of the other, except for being 180 out of phase.

BoardGlue.jpg, 17kB The inclosures are glued 1/4 inch boards. You can see the seam line of glue before sanding.

Board-Popular.jpg, 32kB Each box has two sections: a top and bottom with hinges. The empty box has not been fitted yet with meters and switches.

Board-Walnut.jpg, 27kB Every battery bank controller needs an inclosure. Here is one in popular wood, and another in Walnut. Separate inclusures is a departure from my past designs with one inclosure feeding all battery banks and reject loads. I now have a more logical approach, and quite expandable too. Also, I can easily mix and match Lead Acid and Lithium. And also, reduce the risk of accidently applying the wrong control characteristics to the wrong bank. Everything is dedicated to a specific task, and physically separated.

Board-WithChokes.jpg, 74kB The bottom choke is the Reject choke: Four layers, 17 turns each, #14, 55grams, 256cm, 100in, 8.3ft, 10.89uH.
The top choke is the Main choke: Three layers, 17 turns each, #14, 35 grams, 160cm, 63in, 5.25 ft, 6.66uH.
Scope-Chokes4.jpg, 54kB
Meter-Inductance6.jpg, 26kB

Boards3.jpg, 59kB Here are three boards, nearly finished. The chokes are still evolving... The Reject needs a lot of choke, as the output voltage swings from 20 volts to near 0 volts. This represents the max di/dt and at 10 amps makes the chokes sing. Quite annoying. But I have the solution in Solar Controler3

BoardSide.jpg, 32kB The Reject choke is a Ferrite version, and the Main is an air core, both in 14 gauge copper.

CaddDrawing.jpg, 80kB A CAD program allows me to draw out the box ahead of time. And then slowly construct in wood, constantly comparing with the computer screen. In the CAD program, I had originally planned on two identical meters. More expensive meters that can be used as multimeters. These are called "Three wire" meters. But the top meter, in blue, has only one purpose and only one thing to read: to read the BatteryBank voltage. Therefor it can be a "Two wire" meter that uses the same wire for both power and to read.

MarkOut.jpg, 43kB Takes time for precision work. One of the meters (the lower meter) has a 1/16 inch lip around the face. The cut out is 1/16 inch smaller than the meter face! First, I cut with a jig saw, and then very slowly file by hand to increase the cut out size by about 1/16 inch.

CounterSink.jpg, 35kB The boards are 1/4 inch thick; too thick for switches and pots. It is necessary to countersink many holes, at least enough to get a few threads on the other side.


No one in the RV industry has figured out how to utilize 100% of solar power. And this includes, and in fact - demands, MPPT high efficiency. But one man in Canada has achieved a milestone in this direction. His name is Phil Boyer. He has accomplished this with his homemade boat. His boat is totally solar powered. Phil, like me, has accidently stumbled unto this novel usage. And we both did not realize the significants of what we had discovered at the time. Phil was using the concept of 100% usage by adjusting his motor amperage, and consequently speed, with his charging amperage from the solar panels. Always keeping battery charge at between 90% and 100% as he went down the river. He was doing all this "manually". Phil balances 660 watts of solar with is motor consumption. And all the while, with primary consideration to charging his 220 amp-hour batteries. This was done by tilting the solar panels and by adjusting the throttle to the propeller motor. Now, I will get to the point: Phil can push his motor to almost anything he wants by borrowing power from the batteries. I think the batteries full out can supply about 65 amps producing over 10km/hr. So, for example, Phil wants to run 10km/hr for an hour, and then 5km/hr for a while, while he replenishes his batteries. The point: He will still arrive at his destination at approximately the same time - no matter what. Keep in mind, I am throwing total disregard to water speed efficiencies and charging efficiencies. Even if he decides to travel at night, he will have to travel slower the next morning to recharge his batteries. Basically, in physics, Energy is equal to distance. And Power is equal to speed. So, if Phil uses more power, or rate of consumption of that energy, he will get there quicker. But, I just said that he can not get there any quicker! And that is because we have placed a constraint of, in the long run, of using the max power from the sun, no more, no less. And it is a constant: In a 24 hour period the sun's power is a constant, peaking at about a kilowatt/m2 at noon. Here is the point that no one else has picked up on: For maximum efficiency you MUST consume All of the suns power, all of the time, in real time. I have invented a way to do this in my Solar Controller-3.
In my Solar Controller-2, I invented the concept of "Reject Power". And it worked. But I did it in a round about way: I chose a second regulator to operate at the solar panels Max Power Point, which most of the time, is about 18 volts, for 21 volt panels. The regulator operated "in reverse"; conducting only when the voltage was ABOVE the MPP, which as I have said for simplicity was a constant 18 volts. Higher voltages are "bled off the top", and power given to the Reject Loads. It is immaterial to what these Reject Loads actually are, to this discussion. But, as a side note of general interest, in my RV they are: Supplemental Heating of the 6 gallon water tank, Supplemental Heating of the 60 gallon fresh water tank, Total heating of the Sink Heater, and plans for Supplemental cooling of the refrigerator. And there are grey area's, such as heating of water lines if the temperature is below 34F degrees. This function comes from Main Control, but is usurped from Reject Control due to priority. The key to Solar Controler-3 is, first, the recognition that Main Control and Reject Control are inverse functions. And second, that this inverse function can be implemented more efficiently, and directly, in what I call my "FULL CYCLE LIQUIDATOR". More than simple regulation of olden days, I now am swapping, and redistributing power as part of my new regulation. I have built the basic circuit, and it works. But now I must build it into an actual Controller.
SolarController2.jpg, 20kB To review; Here is the old Solar Controller-2. The red switch on the lower right is for Reject Power, and it turned out to be very important. The center pot and lights are no longer needed as they went to the Utility power directly. This function is no longer needed, as I now have "Post Regulators" that do that function. So, Solar Controler-2 needs to go. It needs to be replaced with a clean build.
RULERMAR.GIF, 1.6kB HandWireMP.jpg, 47kB HandWireMPback.jpg, 27kB
The actual Microprocessor had to be hand-built. I had to hand wire a small board containing the Microprocessor. This board is not required for basic regulation, but I always insist on some sophisticated intelligence in its operation. And this includes that all my stuff verbally talk with people. In addition, I insist that all my stuff electronically communicate with other hardware devices, and also electronically communicate with people.
Early2Boxes.jpg, 58kB Here I am hanging two boxes on the wall. The box floors are mounted to the wall, and the box tops swing open away from the wall. Each box is dedicated to controling a battery bank. The meters are covered with serran wrap to protect from loose screws and solder spatter. Only the box on the left has a Microprocessor. But the basic operation works, as is explored by the box on the right. Hanging below you can see wire connectors. I hesitate on using snap connectors. I only use bullet connectors, but still, there can be loose connections. In my many years as an engineer, I have witnessed countless erratic, and difficult to diagnose snap connections. ...And of all types. I have witnessed a few fires started by connectors. I really do not like to use them, but I enjoy being able to quickly remove a box out of the RV.
CodeShutDown.gif, 113kB
I ran into a problem in the case of "if no battery was connected". In this case, the charger would attempt a cycle up, but would immediatly see the battery bank as too low. It has to be above 9 volts. I was able to fix the problem in software: just delay this particular shutdown until the power has had time to stabilize. That is all handled in lines 414 and line 415, which disallow any decisions about low voltage for a while. Specifically, line 414 tests to see if power is stable, and if so skips over the next line, 415, and begins the routine at 416. But this situation can not be bypassed indefinitely. For example, if the the Remote Sense wire from the batteries comes off, or loosens, then the controller may try to increase battery voltage. And, in vain, it will push an ungodly amount of current into the batteries to try and get the voltage up. As a result, the batteries will be cooked. If the bank is Lead Acid the water will be boiled out, and if Lithium, permanently damaged. This special little bit of code must not be bypassed for long.

TwoBoxes.jpg, 55kB OK, the project is starting to take shape. I have the Controler-2 removed. And now I have mounted two of the Controler-3s. One is in Popular wood, and the other, on the left is in dark Black Walnut. Immediatly, I ran into a disappointment: I purchased all the meters new, and at the same time. But as you can see the meters on the bottom are backlit in a green color. The problem is that, despite the meters being identical, the meter in Popular is dimmer than the black Walnut. ...Way dimmer! I should not be surprised; discounted cheap meters, made in China. At least they have an adjustable pot to bring them into calibration.

ExternalLighting.jpg, 33kB These little 10 amp meters were only about $6 bucks from China. I added homemade face lighting. Actual amperage can go to 15, and possibly 20 amps. I hope 10 amp meters can withstand it. The needle make a loud click as they exceed their travel limits. Digital meters can not be used here, as the changes are continual and fast. LCD or LED meters will not do well here. I have seen a battery charging current draw of 12 to 15 amps for my soldering gun, and 8 to 16 amps for my saw. Even though the current draw is after the batteries, and from the batteries, the battery voltage itself does not drop much; perhaps 0.05 volts or 0.1 volts. If I end up with bent needle or smoking armatures, I can cheaply go up in size to 15 or 20 amps. For now, I want the better resolution at low amperages. For example, normal quiescent charging current on fully charged lead acid is a half amp. Now, that is a low value! ...And it is most of the time.

OverallSchem.gif, 255kB
PartSolarPan.gif, 30kB I will start explaining with the Solar Panels, which are external to this box. 100W solar panels each have very low amperages: about 5 amps. Therefor, a schottky diode works very well here, only slightly warm at 4 amps. So, theoretically, you could mix and match panels; like 40 volts and 20 volts. However, Maximum Power Point values can not be maintained simultaneously. Actually, they can, if each type has its own Pre-Liquidator.

PartMeterSelect.gif, 29kB The green LCD meter is a multimeter. A 12 position switch selects different things. The primary, or default position, is position 4: Reject Voltage. It is read in conjunction with the blue LCD above it, which is totally dedicated to the Main voltage to the Batteries. Other readings include:

BBALLBLU.GIF, 139B The Solar Flux. The reading comes from a dedicated 10 watt solar panel configured as a sensor laying horizontal on the roof.
This special 10W solar panel is a Representative panel or Pilot panel. The Solar Flux meter reflects expected panel performance. And can be used in MPPT tracking, but out of convenance MPP is statically set approximately to 17 to 18 volts.
BBALLBLU.GIF, 139B The Solar Input Voltage. Obviously, the input power feeds and powers the Liquidator. But the Microprocessor also needs to know this value to function, as a cerebral function. And obviously, Microprocessor power is independent of Solar Input Voltage, and comes from RV Utility Power.
BBALLBLU.GIF, 139B The Main charging voltage, read back to the brains with a remote sense wire. The Microprocessor controls and monitors this voltage - as read at the batteries.
BBALLBLU.GIF, 139B The Reject voltage represents the leftover power available to opportunistic devices.
BBALLBLU.GIF, 139B The Main regulator heat sink and choke coil temperature, measured in Farenheit. Originally, I had planned for the LM34 temperature sensor to touch, and be mounted to, the heatsink. But I later found to be in proximity allows three temperatures to be summed: the FET heatsink temperature, the coil temperature, and the internal ambient box temperature.
I like the latter approach as I can cover more bases.
BBALLBLU.GIF, 139B The Reject temperature heat sink and choke in Farenheit. The heatsink warms only a little. The real heat comes from the coil. There is little DC heating from the coil, but under regulation with 20 volt swings the coil goes above 110 degrees: the beginning of standby operation. The now too hot Liquidator goes into Standby, and another Liquidator takes over, or supplies the missing current. I have witnessed, with the temperature setting too low in the 80s, the two Liquidators will oscillate back and forth; with first one taking the load then the other, with varing degrees of overlap. Its mesmerizing to watch.
BBALLBLU.GIF, 139B The Battery Temperature, which in the case of Lead Acid, are located outside in a Battery Box.
If the batteries are above 110F degrees, all charging stops, including when in equalizing mode.
BBALLBLU.GIF, 139B The Utility voltage. This voltage is approx 12.01 volts and never changes. It directly feeds all RV 12 appliances and the AC inverter. Every battery bank has not only its own charging controller, but also its own electronic switch. This switch is controled by the charge controller, in this case a Liquidator.


PartTL495.gif, 59kB I am using a TL495 running at about 8kHz. The Microprocessor can totally shut down the TL495 by bringing its pin11 RC0 low. A local onboard switch can also disable The TL495 by grounding the point above the 1k resistor. High temperature can also shut down the TL495. This is an onboard variable pot. The Microprocessor can also shut down the TL495 due to high battery temperature.
The Microprocessor can also throw the batteries into Equalize mode by bringing pinRB4 low. This can only be done by the Microprocessor, or by human command from a laptop. The lead acid batteries stay in Equalize mode until a voltage is reached that forms gas bubbles. This lasts for only a few seconds, but it is every morning.
The TL495 pin14 has its own precision 5 volt reference for all these voltage points. The Microprocessor also knows the voltage points, and serves as a check.
I designed with TWO 5.1 zeners, instead of one 10 volt. I had to use 5.1 zeners because anything higher has a temperature coefficient that raises the output voltage with increasing temperature. In fact, these zeners have about a zero temperature coefficient. After I designed the circut, I found I had better pot centering with only one zener, when used with 10k above the pot and 1k below. When you use cheap pots such as these, you have finer resolution when you "pad" the pot.
I have not shown how I get an inversion output. The TL495, as well as most PWM chips, has a "type" of inversion in its "push-pull" mode. But this will not work at all for this concept. The push pull is indeed a type of inversion, but BOTH sides are modulated together in the pulse width. In other words, when the push is at 1/4 duty cycle, the pull is also at 1/4 duty cycle. But the phasing is correct and inverted. This will not work for me. I will show the schematic later.

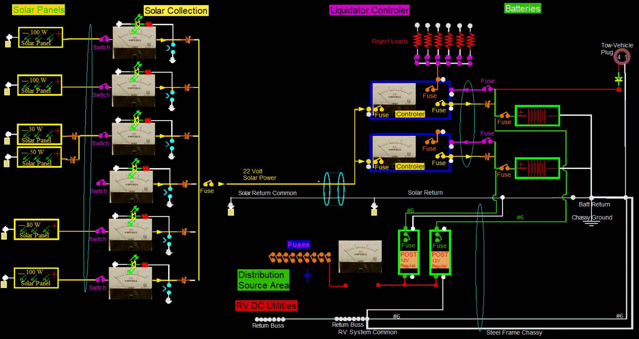
RVWiringLiq.gif, 270kB

The Solar Collection has also changed...
Meter-A100W.jpg, 19kB Meter-B100W.jpg, 19kB Meter-CD.jpg, 17kB


At noon one can expect over 5 amps from each panel, especially near summer solstice.


SCA-23Chokes.jpg, 24kB I now have a couple of real chokes: I am changing out the choke coil to this beefier toroidal at 2.3mH, or 2300uH. The DC resistance Measures 0.09 ohms on a LCR meter (not very accurate for DC ohms).
But shoving 2.2 DC amps through it gives a 149.7mV voltage drop. Now, this is way more accurate: DC resistance is 0.0672 ohms. So, with a target charging current of 20 amps, voltage drop is IR= 1.3v. And power dissipation is I2R= 26 watts. That is pretty warm, but I guess OK.

Ebay, Sendust Magnetic Coil Inductor 20A 2.3mH
2-Item:0149 05.22
2-Item:0149 05.02
1-Item:0149 04.19
SCA_AirChoke.jpg, 36kB The yellow trace is the input to the choke. The blue is the FET drive: down is driving, or Solar Source connected to Regulator Output, which is the same as choke input. The present air choke is not working at all. ...Just a lot of ringing
SCA-Box.jpg, 35kB Installing the new 2.3mH choke...
SCA-23Choke.jpg, 43kB Installed the new 2.3mH choke...
Now the choke is working, in that the cut off swing is going below 0 volts. More like -0.5v; that is the Flywheel Diode conducting.


SCA-BoxAB.jpg, 37kB Will also replace the little choke in Box-B on the right...


SCB-littleChoke.jpg, 45kB You can see this little choke is not much better than no choke, or the air choke. Ringing period has increased. But the negative swing is hardly touching the floor. This choke is not working, and I will replace this one too.


SCB-23Choke.jpg, 36kB Replaced old choke with new 2.3mH choke. Put a brass screw through the center of choke to (temporarily) hold it in place. This choke is heavy, and as the RV goes over pot holes, the choke will have a lot of momentum. Wrapped lots of tape around brass screw. Any buzzing or vibration would very quickly cut through the varnish.


SCB-scopeLongT.jpg, 39kB OK, Choke is replaced. I had seen some long term chaos. Don't see it now, looks flat and stable.


SCB-Scope23Choke.jpg, 49kB Closer examination shows negative going to floor. That is all well and good, but there is still some ring after the up pulse.